
补骨脂二氢黄酮甲醚
中 文 名:补骨脂二氢黄酮甲醚
别 名:甲基补骨脂黄酮A;补骨脂双氢黄酮甲醚;补骨脂二氢黄酮甲醚;补骨脂二氢黄酮甲醚(标准品);甲基补骨脂黄酮;补骨脂二氢黄酮甲醚、甲基补骨脂黄酮A;甲基补骨脂黄酮A,补骨脂双氢黄酮甲醚
英 文 名:BAVACHININ A
Cas 号 : 19879-30-2
分 子 式:C21H22O4
分 子 量:338.4
性 状: 本品为粉末
纯 度:>98%
提取来源:根;茎;叶;果实;种子等
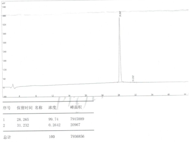
检测方式:高效液相色谱法HPLC≥98%
规 格:20mg 100mg 500mg 1g 1kg (可根据客户需求包装)
储藏方法:2-8°C,置阴凉干燥处、避光保存。
注意事项: 本品应在低温下保存,长时间在暴露在空气中,含量会有所降低。
保 质 期:两年,注意密封且避免阳光直射
作用与用途:本品用于含量测定,不作其他用途。
我司提供以下服务:
1.中药提取物的定制研发和生产,中药提取物代加工相关服务。
2.中药高含量提取物的工业化高效分离及分离纯化生产
3.天然产物原料药和中间体的生产,定制(包括合成,半合成)
订购须知:
1.产品优势:高效稳定的专业纯化技术,完善的库存及供应体系,高效的销售团队。
2.包装规格:常规包装,如有特殊需求,我们根据客户要求包装。
3.运输方式:默认顺丰快递,大宗货物走德邦物流。
4.质量保证:严格的质量控制,通过全面的检测,是产品质量保证的基础。如有异议经我司确认可无条件退换货。
我司另有补骨脂二氢黄酮甲醚大货可提供,根据客户要求包装,欢迎咨询
