中文名称: 知母皂苷元
中文同义词: 知母皂苷元;菝契皂苷元;菝葜皂苷元,菝葜皂甙元
英文名称: Sarsasapogenin
英文同义词: Sarsasapogenin;Sarsaponin
CAS号: 82597-74-8
分子式: C27H44O3
分子量: 416.63646
性状: 本品为粉末
纯度:>98%
提取来源:根
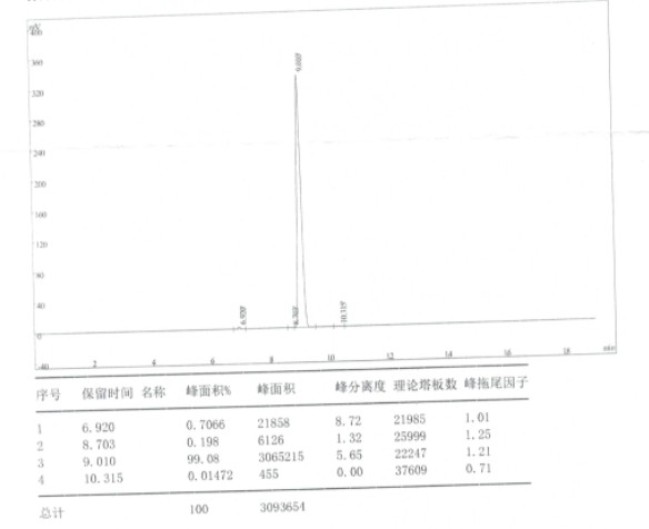
检测方式:高效液相色谱法HPLC≥98%
规格:20mg 100mg 500mg 1g 1kg (可根据客户需求包装)
作用与用途:本品用于含量测定,不作其他用途。
储藏方法:2-8°C,置阴凉干燥处、避光保存。
注意事项: 本品应在低温下保存,长时间在暴露在空气中,含量会有所降低。
我司提供以下服务:
1.中药提取物的定制研发和生产,中药提取物代加工相关服务。
2.中药高含量提取物的工业化高效分离及分离纯化生产
3.天然产物原料药和中间体的生产,定制(包括合成,半合成)
订购须知:
1.产品优势:高效稳定的专业纯化技术,完善的库存及供应体系,高效的销售团队。
2.包装规格:常规包装,如有特殊需求,我们根据客户要求包装。
3.运输方式:默认顺丰快递,大宗货物走德邦物流。
4.质量保证:严格的质量控制,通过全面的检测,是产品质量保证的基础。如有异议经我司确认可无条件退换货。

我司另有知母皂苷元大货可提供,根据客户要求包装,欢迎咨询